Свинцово-цинковое месторождение «Алыс» — располагается в Амангельдинском районе, Костанайской области.
Геолого-разведочные работы на месторождении:
Полиметаллическое минерализация на участке выявлена в 1977 году в процессе проверки газовой аномалии в профиле XXXVIII в интервале пикетов 119-134.
Этими работами были установлены интенсивные вторичные ореолы рассеяния в коре выветривания карбонатных пород фамена.
1.Позже участок был разбурен по сети 1000*200 м и рекомендован под детальное опоискование.
2.Глубинной литохимической съемкой отчетного периода аномальная зона участка разбурена по сети 200*25 м (около 4,5 км по простиранию).
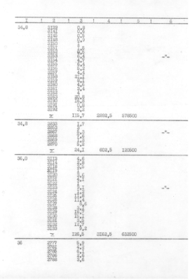
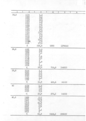
3.Всего пробурено на участке 1365 скважин общим метражом 52064,5 погонных метров, отобрано 8966 геохимических проб.
Геологическое строение участка
Стратиграфия.
В геологическом строении участка принимают участие породы сланцевого комплекса протерозоя, терригенные отложения франа, карбонатные образования фамена и рыхлые палеоген— неогеновые осадки. Последние повсеместно перекрывают более древние породы, образуя аллохтонный чехол мощностью 30— 40 м.Протерозойские образования представлены хлорит- плагиоклазовыми и слюдисто- кварц- альбитовыми сланцами с маломощными прослоями кварц- серицитовых сланцев и биотит- плагиоклазовых гнейсов. Породы имеют зеленовато- серый цвет, лепидогранобластовую структуру, сланцевую текстуру. Эти породы вскрыты в северо-западной части участка и имеют с перекрывающими их отложениями тектоническое сопряжение.Отложение девонской системы по фациальному составу и внешнему облику четко подразделяются на две толщи: красноцветную терригенную и темноцветную карбонатную.Терригенные толща сложена полимиктовыми песчаниками, алевритами, аргиллитами преимущественно красного цвета. Породы имеют массивную слоистую текстуру, алевро-псаммитовою структуру с переходом в псаммитовые или пелитовые разновидности. Соотношение цемента и обломков варьирует в широких пределах. Обломочный материал имеет полимиктовый состав (кварц, полевой шпат, кварцит, различные метаморфические сланцы, слюды) и различную степень окатонности при преобладании остроугольных форм. Цемент-кремнисто-железистый, глинистый, реже (в верхах разреза) глинисто-карбонатный. Углы падения пород восточном крыле синклинальный складки пологие 20- 30%, в западном- крутые 60-90 градусов. Мощность толщи порядка 900 метров.Карбонатная толща представлена переслаиванием известняков, доломитов, углисто- глинисто- карбонатных пород, алевролитом. Цвет пород преимущественно черный, но иногда наблюдаются переходы в серые разности. Среди карбонатных образовании выделяются обломочные, органогенные и хемогенные разности с той или иной степенью перекристаллизации и образованием кристаллобластических структур. Контакт с подстилающими франкскими отложениями постепенный с переслаиванием.Мезозойская кора выветривания развита по всем литологическим разностям пород, слагающим участок работ. Особенно интенсивно процессы корооброзования идут по глинисто- карбонатным породам, зонам сульфидной минерализации и тектонически ослабленным участкам. В профиле коры выветривания выделяются 3 горизонта (снизу вверх): зона дезинтеграции в (0,5- 2 м), мод монтмориллонитовый горизонт (5— 12 м) горизонт каолиновых глин (2- 17 м). В условиях рудоуправления материал коры выветривания является аккумулятором рудных элементов до промышленных содержаний. Причиной является восстановительный геохимический барьер в местах наличия углистого вещества, накапливающегося при выветривании углисто-карбонатных пород.Меловая система, верхний отдел, сантон- маастрихтский ярусы. Отложения меловой системы развиты в локальных депрессиях, где они перекрывают образование коры выветривания. Представлены они углисто-песчано- глинистыми разностями пород. Характерной особенностью этих отложений является присутствие в них обломков пород разного возраста и состава. Мощность сантон-маастрихтских образований варьирует от единиц до 50 м.Верхний эоцен-нижний олигоцен, саксаульская и чеганская свиты представлены на участке зелеными загипсованными листовыми глинами с тонкими прослоями глауконитового песка. Мощность 3— 19 м.
Средний олигоцен— верхний миоцен нерасчлененный представлены песчано— глинистыми отложениями с различными количественными взаимоотношениями глинистой и песчанистой составляющей. Цвет отложений меняется от зеленого вверху (свита турме) через белесые (каидагульская свита) до бурых (свита челкарнура). Мощность отложений 16— 37 м.Магматические образования на участке представлены субвулканическим телом субщелочных трахи- андезитов, которое картируется в зоне тектонического разлома в западном крыле синклинальной структуры участка.
Тектоника.
В региональном плане участок приурочен к зоне сочленения Арганатинского поднятия с Сары Тургайской синклиналью. Эта зона сочленения осложнена системой глубинных разломов субмеридионального простирания и сопряжения с ними субширотных разрывов. Непосредственно на участке четко картируются как пликативные, так и разрывные структуры. Породы фаменского яруса формируют ядро меридионально вытянутой синклинальной складки. В её крыльях картируются франкские отложения. С востока и запада эта структура от протерозойских структур отчленена глубинными разломами.
Подсчет запасов по цинку и свинцу:















